Teledyne LeCroy Motor Drive Analyzer Effizienzmessung kleiner Motoren

Von Ken Johnon, Teledyne LeCroy 4 min Lesedauer

Anbieter zum Thema

Der Teledyne LeCroy Motor Drive Analyzer misst effizient den Wirkungsgrad kleiner Motoren und Antriebe ohne teure Dynamometer. Er erfasst Spannung, Strom, Drehzahl und Drehmoment, nutzt diverse Sensoren und CAN-Daten und berechnet so mechanische Leistung und Effizienz für statische und dynamische Betriebszustände.

Abb. 1: Erfassung der Signale von Gleichstrombatterie, Antriebsausgang sowie Motorwellendrehmoment- und Drehzahlsensor.(Bild:  Teledyne)
Abb. 1: Erfassung der Signale von Gleichstrombatterie, Antriebsausgang sowie Motorwellendrehmoment- und Drehzahlsensor.
(Bild: Teledyne)

Mehr als 90 % der Motor- und Motorantriebsdesigns umfassen kleine Motoren und Antriebe mit geringem Stromverbrauch, die in Haushalts-, Gewerbe- oder Leichtindustrieanwendungen eingesetzt werden. Solche Motoren müssen zwar keine strengen IEC- oder NEMA-Effizienzstandards erfüllen, dennoch möchten Ingenieure die Effizienz ihrer Designs messen. Der Teledyne LeCroy Motor Drive Analyzer misst die Effizienz von Antrieben und Motoren auf einem Prüfstand ohne teure und/oder seltene Dynamometer.

Beispiel: Analyse des Wirkungsgrades

In diesem Beispielwird gezeigt, wie man mit dem Teledyne LeCroy Motorantriebsanalysator den Wirkungsgrad eines kleinen Motors und Antriebs von der Leistungsabgabe der Gleichstrombatterie bis zur Motorwelle analysiert. Der MDA misst Drehzahl und Drehmoment anhand der verfügbaren Signale, ohne dass eine teure Dynamometeranlage erforderlich ist, was ihn für Konstrukteure, die die Leistung von Antrieben und Motoren auf ihrem Prüfstand bewerten, sehr nützlich macht.

Bildergalerie
Bildergalerie mit 6 Bildern

Spannungs- und Stromerfassung

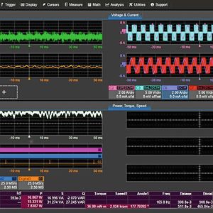
Abbildung 1 zeigt eine kurze (100 ms) Erfassung von Signalen, die mit dem Multi-Tab-Anzeigemodus Q-Scape Mosaic von Teledyne LeCroy angezeigt werden. Die benannten Registerkarten enthalten die Gleichstrombatteriespannung und den Stromausgang (oben links), die Antriebsausgangsspannung und die Stromausgänge (oben rechts) sowie die mechanischen analogen Drehmoment-Wägezellen-Ausgangssignale und die Quadrature Encoder Interface (QEI) A-, B- und Z-Sensorsignale (unten links). Unterhalb der Erfassungswellenformen befindet sich die Numerik-Tabelle, die die Mittelwerte verschiedener Gleichstrom-, Antriebsausgangs- und mechanischer Motorwerte, einschliesslich Wirkungsgrade, anzeigt. Für diese Erfassung nimmt der MDA mit 25 MS/s und 2 MS Erfassungsspeicher Proben. Die Registerkarte «Motor Drive Analysis Summary» in Abbildung 2 enthält eine Zusammenfassung der erfassten Wellenformen, die in den Einstellungen für Gleichstrombus, Antriebsleistung und Mechanik verwendet wurden.

Drehzahl- und Winkelberechnung

QEI-Drehzahlsensoren sind in Antriebskonstruktionen weit verbreitet und werden zur Drehzahl- und Winkelberechnung direkt an den MDA angeschlossen. Der MDA kann auch mit vielen anderen Arten von analogen und digitalen Drehzahl ssensoren verbunden werden. In diesem Beispiel wird auch eine Drehmoment-Wägezelle verwendet, aber der MDA leitet die Drehmomentdaten anhand einer formelhaften Beziehung zu Strom und einer bekannten Drehmomentkonstante oder aus Daten ab, die in einem seriellen CAN-Datensignal (Controlled Area Network) eingebettet sind. Somit kann der MDA die mechanische Leistung des Motors berechnen, ohne dass analoge/digitale Drehzahlmesser- und Drehmoment-Wägezellensensorsignale von einem herkömmlichen Dynamometer benötigt werden. Abbildung 3 zeigt den Drehzahl- (links) und Drehmomentsensor (rechts), serielle Daten und abgeleitete Berechnungsmethoden, die vom MDA unterstützt werden.

Abbildung 4 zeigt eine vergrösserte Ansicht der in Abbildung 1 dargestellten Numerik-Tabelle. Der MDA berechnet diese Werte pro Zyklus, und alle berechneten Werte werden für jede Messung und jede Quelle gemittelt. Die Zeile «Bus» steht für die Gleichstrombatterie, die Zeile «Σrst» für die Antriebsleistung und die Zeile «Mechanical» für die Motorleistung. Beachten Sie, dass in der Tabelle zwei verschiedene Wirkungsgradmessungen angegeben sind – ηstage und ηtotal –, die den stufenweisen Wirkungsgrad bzw. den kumulativen Wirkungsgrad darstellen.

Anzeige des Leistungsverhaltens pro Zyklus und pro Phase

Abbildung 5 zeigt pro Zyklus Wellenformen verschiedener Leistungs-, Drehzahl-, Winkel-, Drehmoment- und Wirkungsgradmessungen. Das Sync-Signal definiert den Messzyklus für alle diese Wellenformen, und das Sync-Quellensignal ist Kanal 3 (wie in der Zusammenfassung der Einstellungen in Abbildung 3 gezeigt). Diese Wellenformen zeigen einen Messwert pro Zyklus, wobei die vertikale Skala die Masseinheit und die horizontale Skala die zeitliche Korrelation zu den anderen in Abbildung 1 erfassten Wellenformen darstellt. Die drei Leistungswellenformen im oberen Raster sind identisch skaliert, ebenso wie die beiden Wirkungsgradwellenformen im unteren Raster. Es ist ausserdem möglich, zusätzliche Berechnungen für jede der oben genannten Wellenformen durchzuführen, um das Verhalten besser zu verstehen.

In Abbildung 5 scheint sich das Drehmoment in einem engen Bereich von 34 bis 40 mN•m zu bewegen. Die Synchronisation kann auf auf einen kürzeren Zeitraum umgestellt werden, indem die digitale Leitung D0 als Synchronisationsquellensignal ausgewählt und mit der Drehmomentwellenform verglichen wird, die über den durch C3 definierten Synchronisationszeitraum berechnet wurde. Das zeigt Abbildung 6. Eine FFT der Drehmomentwellenform wird im unteren Raster angezeigt, und der Frequenzgehalt dieses Drehmomentsignals (und die Drehmomentwelligkeit) wird in der FFT angezeigt.

Jetzt Newsletter abonnieren

Verpassen Sie nicht unsere besten Inhalte

Mit Klick auf „Newsletter abonnieren“ erkläre ich mich mit der Verarbeitung und Nutzung meiner Daten gemäß Einwilligungserklärung (bitte aufklappen für Details) einverstanden und akzeptiere die Nutzungsbedingungen. Weitere Informationen finde ich in unserer Datenschutzerklärung. Die Einwilligungserklärung bezieht sich u. a. auf die Zusendung von redaktionellen Newslettern per E-Mail und auf den Datenabgleich zu Marketingzwecken mit ausgewählten Werbepartnern (z. B. LinkedIn, Google, Meta).

Aufklappen für Details zu Ihrer Einwilligung

Verständnis für statischen und dynamischen Betrieb eines Motorantriebs

Der Motorantriebsanalysator von Teledyne LeCroy enthält eine Reihe leistungsstarker Algorithmen, die ein umfassendes Verständnis des statischen und dynamischen Betriebs eines Motorantriebs ermöglichen. Darüber hinaus lässt er sich mit einer Vielzahl von analogen und digitalen Drehzahlsensoren verbinden, die in Motorantriebsdesigns oder Motoren integriert sind. Alternativ kann er Drehmoment und Drehzahl aus anderen gemessenen Signalen ableiten (z. B. Drehmoment aus gemessenem Strom oder eingebettet in einem seriellen CAN-Datensignal oder Drehzahl aus der Periode einer gemessenen Spannung oder eines gemessenen Stroms). Das Gerät berechnet die mechanische Leistung aus Drehzahl und Drehmoment. Während dieses Beispiel eine kurze Erfassung unter stationären Betriebsbedingungen zeigt, wenden wir dieselben Prinzipien auch bei sehr langen Erfassungen während des dynamischen Antriebs- und Motorbetriebs an.

(ID:50598465)