Warum es so wichtig ist, dass Stromversorgungen die strengen Anforderungen medizinischer Sicherheitsnormen wie etwa IEC 60601-1, dritte Auflage, erfüllen: ein Überblick.
RPS-400 Open-Frame
(Bild: Pewatron)
Die Forschung zeigt, dass selbst kleine Mengen an Strom, die durch das menschliche Herz fliessen, zu ernsthaften Konsequenzen wie Kammerflimmern führen können. Der geschwächte Körper von Patienten ist sogar noch anfälliger. Aus diesem Grund ist es wichtig, dass elektrische Medizingeräte einem strengen Sicherheitstest unterzogen werden, wie es die dritte Auflage von IEC 60601-1 und die entsprechenden nationalen Normen vorgeben. Bei der Stromversorgung medizinischer Geräte muss sichergestellt werden, dass Ableitstrom und Isolation den spezifischen Grenzwerten der einzelnen Anwendungsteile entsprechen.
Anwendungsteile werden in drei Arten unterteilt: Body (B), Body Floating (BF) und Cardiac Floating (CF). Typ CF ist die strengste Klassifizierung und gilt für Anwendungsteile, die in Kontakt mit dem Herzen kommen, wie etwa chirurgische Geräte. Typ B ist die am wenigsten strenge Klassifizierung und gilt für Anwendungsteile, die für gewöhnlich nicht leitfähig sind, wie etwa Krankenhausbetten. In diesem Artikel konzentrieren wir uns auf den Typ BF, der für Anwendungsteile gilt, die kurz- oder langfristig mit dem Körper des Patienten verbunden sind und Strom oder elektrische Signale übertragen. Unser Hauptaugenmerk liegt auf Anwendungen des Typs BF, da dieser wahrscheinlich der in der grössten Patientengruppe hauptsächlich vorherrschende Typ ist, weil er elektrische Medizingeräte vom Blutdruckmessgerät bis hin zu Operationsgeräten (ausser für Herzoperationen) abdeckt. In dieser Mean-Well-Studie werden wir die Ableitstrom- und Isolationsanforderungen für Netzteile medizinischer Anwendungen des Typs BF erörtern und in einer Fallstudie die medizinische Stromversorgung von Mean Well betrachten, um Hintergründe medizinischer Konformitätsprüfungen zu verdeutlichen.
Bildergalerie
Der Ableitstrom
Ableitströme können in die Kategorien Erdableitstrom, Gehäuseableitstrom und Patientenableitstrom unterteilt werden. Der Patientenableitstrom ist für alle Arten von Anwendungsteilen festgeschrieben, wird jedoch nur für das Endsystem berücksichtigt. Der Ausgang der Stromversorgung sollte niemals direkt an einen Patienten angeschlossen werden, weshalb bezüglich der Einhaltung der Normen nur Erd- und Gehäuseableitstrom geprüft werden.
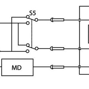
Die Grenzwerte für die verschiedenen Ableitströme gemäss IEC 60601-1, dritte Auflage, sind in Tabelle 1 angegeben. Um eine Stromversorgung für eine Anwendung vom Typ BF gemäss der dritten Auflage von IEC 60601-1 zu qualifizieren, muss der Erdableitstrom im Normalbetrieb weniger als 5 mA betragen und darf im einfachen Fehlerfall 10 mA nicht überschreiten. Abbildung A zeigt den Schaltplan zur Messung des Erdableitstroms. Im Normalbetrieb ist S1 geschlossen und S5 normal oder umgeschaltet. Der einfache Fehler ist definiert als S1 offen und S5 normal und umgeschaltet.
Der Gehäuseableitstrom wird auch als Berührungsstrom bezeichnet. IEC 60601-1, dritte Auflage, fordert für Anwendungen vom Typ BF einen Gehäuseableitstrom im Normalbetrieb von unter 100 µA. Im einfachen Fehlerfall darf der Gehäuseableitstrom 500 µA nicht überschreiten. Abbildung B zeigt die Testschaltung für den Gehäuseableitstrom. Im Normalbetrieb sind S1 und S8 geschlossen und S5 ist normal oder umgeschaltet. Ein einfacher Fehler liegt vor, wenn entweder S1 oder S8 offen ist, während sich S5 im normalen oder umgeschalteten Zustand befindet.
Isolationsgrad
Zusätzlich zu den Ableitströmen muss bei der Qualifizierung einer Stromversorgung für medizinische Anwendungen vom Typ BF auch der Isolationsgrad berücksichtigt werden. Tabelle 2 zeigt die Isolationsanforderungen für I/P-O/P, I/P-FG und O/P-FG.
Wie die Tabelle zeigt, ist der Patientenschutz (MOPP) ein weiterer Parameter für die Auswahl der Isolation. Medizinische Anwendungen vom Typ BF bedingen für die Stromversorgung 4000 VAC/2 × MOPP für die I/P-O/P-Isolation und 1500 VAC/1 × MOPP für I/P-FG- und O/P-FG-Isolationen. Diese Anforderungen an die Isolation sind strenger als die in IEC 60950-1 (ITE) geforderten Isolationsgrade, um bei medizinischen Anwendungen vom Typ BF einen besseren Patientenschutz zu erreichen.
Typ BF – Nennstrom
Nun sollen die Testergebnisse zum Ableitstrom und Isolationsgrad der RPS-400-Serie von Mean Well in Form einer Fallstudie analysiert werden, um festzustellen, ob die Vorgaben für elektrische Medizingeräte gemäss IEC 60601-1, dritte Auflage, eingehalten werden. RPS-400 ist eine höchst zuverlässige und effiziente Open-Frame-Stromversorgung für den Medizinbereich, die eine Leistung von bis zu 400 W, verpackt in einem kompakten 5" × 3"-Gehäuse, bereitstellt. Damit ist das Produkt ein gutes Beispiel für die Stromversorgung der nächsten Generation, die in medizinischen Anwendungen des Typs BF verwendet werden kann.
Tabelle 3 zeigt die Messwerte für Erdableit- und Gehäuseableitströme im Normal- und im einfachen Fehlerfall. Die Tests wurden mit einer Eingangsspannung von 264 VAC/60 Hz durchgeführt, um das Worst-Case-Szenario für Ableitströme zu zeigen. Es wird deutlich, dass die gemessenen Ströme erheblich unter den Grenzwerten liegen. Dadurch müssen bei der Entwicklung der jeweiligen Endprodukte weniger Ressourcen darauf verwandt werden, Probleme mit zu hohen Ableitströmen zu bewältigen.
Stand: 08.12.2025
Es ist für uns eine Selbstverständlichkeit, dass wir verantwortungsvoll mit Ihren personenbezogenen Daten umgehen. Sofern wir personenbezogene Daten von Ihnen erheben, verarbeiten wir diese unter Beachtung der geltenden Datenschutzvorschriften. Detaillierte Informationen finden Sie in unserer Datenschutzerklärung.
Einwilligung in die Verwendung von Daten zu Werbezwecken
Ich bin damit einverstanden, dass die Vogel Communications Group GmbH & Co. KG, Max-Planckstr. 7-9, 97082 Würzburg einschließlich aller mit ihr im Sinne der §§ 15 ff. AktG verbundenen Unternehmen (im weiteren: Vogel Communications Group) meine E-Mail-Adresse für die Zusendung von redaktionellen Newslettern nutzt. Auflistungen der jeweils zugehörigen Unternehmen können hier abgerufen werden.
Der Newsletterinhalt erstreckt sich dabei auf Produkte und Dienstleistungen aller zuvor genannten Unternehmen, darunter beispielsweise Fachzeitschriften und Fachbücher, Veranstaltungen und Messen sowie veranstaltungsbezogene Produkte und Dienstleistungen, Print- und Digital-Mediaangebote und Services wie weitere (redaktionelle) Newsletter, Gewinnspiele, Lead-Kampagnen, Marktforschung im Online- und Offline-Bereich, fachspezifische Webportale und E-Learning-Angebote. Wenn auch meine persönliche Telefonnummer erhoben wurde, darf diese für die Unterbreitung von Angeboten der vorgenannten Produkte und Dienstleistungen der vorgenannten Unternehmen und Marktforschung genutzt werden.
Meine Einwilligung umfasst zudem die Verarbeitung meiner E-Mail-Adresse und Telefonnummer für den Datenabgleich zu Marketingzwecken mit ausgewählten Werbepartnern wie z.B. LinkedIN, Google und Meta. Hierfür darf die Vogel Communications Group die genannten Daten gehasht an Werbepartner übermitteln, die diese Daten dann nutzen, um feststellen zu können, ob ich ebenfalls Mitglied auf den besagten Werbepartnerportalen bin. Die Vogel Communications Group nutzt diese Funktion zu Zwecken des Retargeting (Upselling, Crossselling und Kundenbindung), der Generierung von sog. Lookalike Audiences zur Neukundengewinnung und als Ausschlussgrundlage für laufende Werbekampagnen. Weitere Informationen kann ich dem Abschnitt „Datenabgleich zu Marketingzwecken“ in der Datenschutzerklärung entnehmen.
Falls ich im Internet auf Portalen der Vogel Communications Group einschließlich deren mit ihr im Sinne der §§ 15 ff. AktG verbundenen Unternehmen geschützte Inhalte abrufe, muss ich mich mit weiteren Daten für den Zugang zu diesen Inhalten registrieren. Im Gegenzug für diesen gebührenlosen Zugang zu redaktionellen Inhalten dürfen meine Daten im Sinne dieser Einwilligung für die hier genannten Zwecke verwendet werden. Dies gilt nicht für den Datenabgleich zu Marketingzwecken.
Recht auf Widerruf
Mir ist bewusst, dass ich diese Einwilligung jederzeit für die Zukunft widerrufen kann. Durch meinen Widerruf wird die Rechtmäßigkeit der aufgrund meiner Einwilligung bis zum Widerruf erfolgten Verarbeitung nicht berührt. Um meinen Widerruf zu erklären, kann ich als eine Möglichkeit das unter https://contact.vogel.de abrufbare Kontaktformular nutzen. Sofern ich einzelne von mir abonnierte Newsletter nicht mehr erhalten möchte, kann ich darüber hinaus auch den am Ende eines Newsletters eingebundenen Abmeldelink anklicken. Weitere Informationen zu meinem Widerrufsrecht und dessen Ausübung sowie zu den Folgen meines Widerrufs finde ich in der Datenschutzerklärung, Abschnitt Redaktionelle Newsletter.
Die RPS-Serie wurde ausserdem auf ihre Spannungsfestigkeit getestet. Der Isolationsgrad wurde für Anwendungen des Typs BF mit 2 × MOPP zwischen Eingang und Ausgang und 1 × MOPP zwischen Ausgang und Erdung als angemessen bewertet.
Zusammenfassung
Aufgrund der besonderen Anforderungen im Zusammenhang mit medizinischen Anwendungen sind umfassende Überlegungen nötig, um ein ausfallsicheres System gewährleisten zu können, das grösstmögliche Patientensicherheit bietet. Wir hoffen, mit diesem Artikel einen Überblick über die Anforderungen für Ableitströme und Isolation von medizinischen Anwendungen vom Typ BF gegeben zu haben, der verdeutlicht, warum es so wichtig ist, dass Stromversorgungen die strengen Anforderungen medizinischer Sicherheitsnormen wie etwa IEC 60601-1, dritte Auflage, erfüllen.
Mean Well bietet eine breite Auswahl an qualitativ hochwertigen Netzteilen für die Medizintechnik, die die Kundenanforderungen an Stark- und Schwachstromanwendungen vom Typ BF abdecken. Bitte wenden Sie sich für weitere Informationen an die Pewatron AG, Ihren autorisierten technischen Distributor in der Schweiz.
Vor nunmehr 30 Jahren gehörte die Pewatron AG zu den ersten Unternehmen, die an die Vision des Firmengründers und bis heute tätigen Unternehmenspräsidenten Jerry Lin glaubten, eine der führenden Marken für hochwertige Schaltnetzteile zu schaffen. Lin begann als Zulieferer für die aufstrebende PC-Industrie, stieg dann jedoch in den Bereich automatisierte Anwendungen ein. Pewatron kann umfassende Erfahrung auf dem Gebiet der Medizintechnik aufweisen und hat sich in dieser Branche grosses Ansehen erarbeitet. Das Unternehmen hat bereits erfolgreich Stromversorgungen von Mean Well für eine Vielzahl von Anwendungen bereitgestellt, von der Zahnmedizin über Laboranwendungen und Operationsanlagen bis hin zu Dialysegeräten und vielen anderen Lösungen.
Die neue RPS-400-Serie ist als Open-Frame-Version, in geschlossener Bauform und in geschlossener Bauform mit Gebläsekühlung in vertikaler und horizontaler Luftstromrichtung verfügbar. Alle Produkte dieser Serie verfügen über die neuesten Zulassungen und erfüllen die 2MOPP-Anforderungen für die Patientensicherheit. Ausserdem verfügen sie über ein ultimatives Design und sind für alle Arten von medizinischen Anwendungen geeignet.